센서 > 초음파센서 / 디바이스마트

메인배너
창닫기
  • 위더스
  • 센싱
  • 디지키 공식 리셀러
카테고리 전체보기
HIDE
센서  
초음파센서
초음파센서
초음파트랜듀서
초음파트랜듀서 (미분류)
  • HC-SR04 시리즈
  • 아두이노 가습기 모듈
  • Maxbotix
  • 센서텍

Ultrasonic Sensor

초음파센서?
초음파 센서는 인간의 가청주파 이상의 높은 소리의 주파를 발생하여, 소리를 보내고 반향을 받는 센서를 말합니다.


물체에 부딪혀서 반사되는 소리의 반향을 시간으로 환산하여 거리를 측정하며, 기본적인 작동의 원리는 레이더의 빛의 반사나 혹은 소나(SONAR:수중 음파 탐지기)의 반사 등을 사용하는 것과 같이 소리의 반향을 이용하는 것입니다.


초음파센서의 기술은 거리 측정에 아주 적합한 기술로 센서가 각각의 공기나 물 같은 매질의 속도나 방향을 측정하여 모양이나 거리를 계산합니다. 고체중, 생체중, 수중, 기체중의 네 가지 상태에서 모두 응용이 가능하며 풍향계, 물탱크의 수위 감시계, 가습기, 소나(SONAR), 의료 음파 영상, 보안 알람, 비파괴검사 등 다양한 분야에서 사용됩니다.


초음파의 전파속도
매질이 공기인것의 예를들면 음파의 속도는 V=343m/sec, 매질이 물인 경우는 V=1,480m/sec 속도이다.
초음파의 전달 속도는 온도에 크게 영향을 받으므로 이를 고려하여야 한다. 초음파의 공기가 매질인 경우 전달 속도는 V(m/s)=331.5+0.60714T로 계산할수있다.

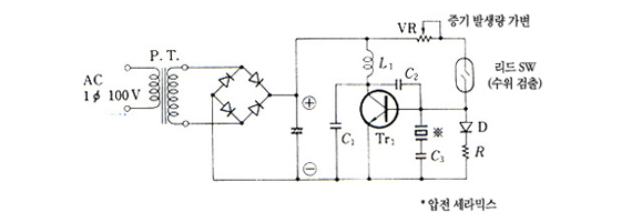
초음파 송신회로
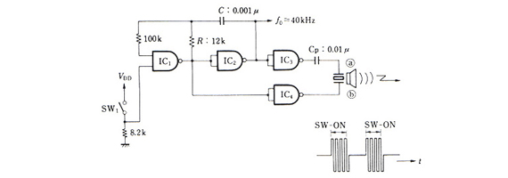
초음파 수신회로
Ultrasonic Transducer

초음파 트랜듀서?
음파 에너지를 진동으로 이용하여 기계 에너지로 바꾸는 장치입니다. 초음파 트랜듀서의 응용에 대한 사용은 대단히 많으며 초음파 세척기, 초음파 가열기, 초음파 모터, 초음파 액추에이터 등에 사용됩니다.


초음파 가습기

초음파 트랜듀서의 중앙의 음압은 지향성을 가지고 집중하고, 이 파워가 수면을 들어올려 물기둥을 발생시키는 것이다.


초음파 용접기

초음파 용접기는 강력 초음파의 반복 응력에 의한 발열을 이용한 것으로, 금속이나 플라스틱의 표면이 미세하게 거친것과 진동을 이용하여 융착시킨다.

초음파 송신회로
초음파 용접기
    • 품절상품 제외
    • 해외구매 제외
  •  
  • [상품번호:7035200]

    [Murata Electronics] 

    MA40S4S

    ULT SEN TX 40KHZ 20VP-P / Digi-Key Part Number : 490-7707-ND
  • 10,620

  • 1

    1

    약 4일

  •  
  • [상품번호:13179086]

    [EPCOS - TDK Electronics] 

    B59070Z0285D120

    ULTRASONIC SENSOR USS DISC WRAP / Digi-Key Part Number : 495-77641-ND
  • 810

  • 245

    245

    약 4일

  •  
  • [상품번호:13179080]

    [EPCOS - TDK Electronics] 

    B59070Z0285D121

    ULTRASONIC SENSOR USS DISC WRAP / Digi-Key Part Number : 495-77642-ND
  • 2,430

  • 50

    50

    약 4일

  • 더보기
  • [상품번호:10120]

    [AUDIOWELL] 

    AW16Y25120D2L15J3

    Ultrasonic Atomizing Transducer - 인공 호흡용 흡입기, 의료용 호흡 보조기, 미용 정형용, 가습기,약제 또는 아로마가습기 등 다양한 분야에 적용가능합니다.
  • 4,800
  • 1

    1

    약 1일

BOM에 추가되었습니다.

LOGO

(주)엔티렉스 대표이사 : 오상혁
사업자등록번호 : 113-81-88335 통신판매업 신고번호 : 제2011-인천남구-0460호 부가통신사업 신고번호 : 8148
본사 : 인천광역시 미추홀구 주안동 5-38 [도로명 주소 : 인천광역시 미추홀구 염전로 324(주안동)(우)22126]
고객센터 대표번호 :

※상품/기술/AS 문의는 각 상품 상세페이지 하단의 [기술지원문의] 게시판으로 문의 부탁드립니다.
구로매장 : 서울시 구로구 구로2동 1258 중앙유통단지 바동 3128호 (구로역 2번출구) 운영시간 : 평일 AM09:00 ~ PM06:00 / 점심시간 PM12:00 ~ PM13:00  *매월 셋째주 목요일 : AM 11:30 ~PM 01:00
(토요일, 일요일 및 공휴일 휴무 통화불가)
E-mail : ebiz@ntrex.co.kr
개인정보관리책임자 : 박정웅(master@ntrex.co.kr)
FTC SGIC 홈택스 PSYS 인노비즈 메인비즈 이니시스 결제시스템의 유효성 확인 이니시스 결제시스템의 유효성 확인
회원님의 소중한 개인정보 보호를 위해 비밀번호를 주기적으로 변경하시는 것이 좋습니다.
현재 비밀번호
신규 비밀번호
신규 비밀번호 확인
6~20자, 영문 대소문자 또는 숫자 특수문자 중 2가지 이상 조합