전자부품, 아두이노, 라즈베리파이, 공구 및 로봇까지 한곳에서 국내 최대 전자부품 전문몰 | 디바이스마트

상품문의
번호 상태 문의 작성자
25913 답변대기
김*수
2020-03-16 10:34
조회수 19
25912 답변완료
안녕하세요. 연결방법 관련글을 블로그에서 찾아봤습니다. 푸쉬버튼 on 에 LED 점등은, + 와 C1 단자 연결이였는데 이와 반대로 작업을 하고 싶습니다. 즉, 푸쉬버튼 off 에 LED 켜짐, 푸쉬버튼 on 에 LED 꺼짐은 + 와 NC1 연결인지 문의 드립니다. 감사합니다.
권*영
2020-03-15 21:24
조회수 6
25911 답변완료 [기타문의] IOT-MCU-ATMEGA328 문의 (1)
c*y
2020-03-15 20:01
조회수 6
25910 답변완료
유*) (unio*** )
2020-03-15 19:16
조회수 1
25909 답변대기
대*생
2020-03-15 14:15
조회수 2
25908 답변완료 헤드핀 납땜되지 않은 상품 문의 (1)
문*한 (devi*** )
2020-03-15 01:04
조회수 2
25907 답변완료
문*한 (devi*** )
2020-03-15 00:50
조회수 1
25906 답변완료
비밀글입니다
문*한 (devi*** )
2020-03-15 00:46
조회수 1
25905 답변완료
문*한 (devi*** )
2020-03-15 00:44
조회수 1
25904 답변완료 [기타문의] 호환 터치스크린 문의
문*한 (devi*** )
2020-03-15 00:00
조회수 2
25903 답변완료
모터에 대해 하나 여쭤보려고 합니다. 모터가 PWM을 지원하는지 궁금합니다. 일정한 속도로 운행하는 모터인지 아니면 속도가 바뀌는 것을 지원하는 모터인지 궁금합니다.
n*n
2020-03-13 20:25
조회수 216
25902 답변완료
제가 전기전자에 기초지식이 많지 않다보니까 재차 질문을 드리네요. /goods/view?no=1321992 을 보면 출력 전압 5V ~ 52v, 출력전류 4A로 되어 있는데 이 승압기에 아두이노 5V를 물려서 승압시킨후 모터 구동을 한다 하더라도 안되는건가요?
권*진 (nats*** )
2020-03-13 17:13
조회수 89
25901 답변완료
[아성엔터프라이즈] PCB서포트 금속 M-5mmMale, 3파이 5mm위의 있는 PCB서포트 M-5mm 의 Female을 주문하려면 어떤것을 시키면 되는지요?
오*준
2020-03-13 13:31
조회수 95
25900 답변완료
음*길
2020-03-13 02:34
조회수 157
25899 답변완료
이*용 (grea*** )
2020-03-12 16:41
조회수 1
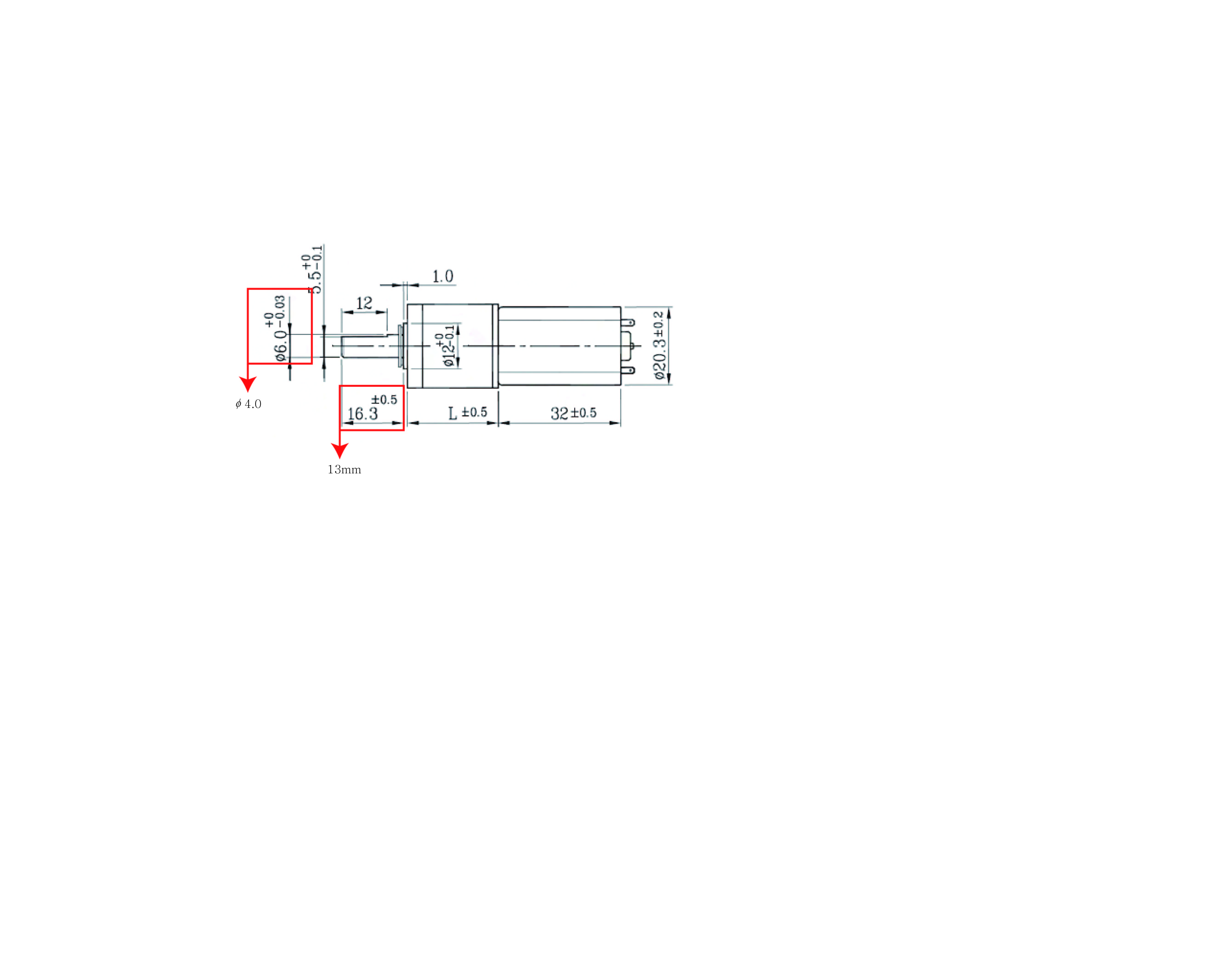
25898 답변대기
아래 이미지와 같이 축이 길이와 직경을 변경이 가능한지 여부 확인부탁드립니다.
전*수
2020-03-12 16:23
조회수 1
25897 답변완료
콤프레샤 처럼 공기압력이센 에어 펌프가 필요한데 그렇게도 사용이 가능하지 궁금하구요. 사용가능하다면 positive pressure는 얼마 나오는지 궁금합니다.
권*진 (nats*** )
2020-03-12 16:05
조회수 82
25896 답변대기
10개가운데 두개 사이즈로 각각 5개 구매 불가능할까요?
권*진 (nats*** )
2020-03-12 16:01
조회수 9
25895 답변완료
안녕하세요? 제가 원하는 제품과 품명이 맞는지 확인 부탁합니다. 필요 사양 12V 구동. 3색. 점멸, 부저 가능. 56 파이 제가 찾은 모델은 ST56L-3-12 입니다.
S*E
2020-03-12 15:16
조회수 6
25894 답변완료
회로도에 보면 전압 입력 3단자 중에 1핀 VCC 모터에 공급되는 외부 2핀 GND 3핀 +5 아두이노에서 입력되는 5V 인거 같은데요. 여기서 3핀에서 공급되는 아두이노 5v는 반드시 연걸해야되는 것인가요? 그리고, 아래 질문에 보면 두 모터를 동시에 연결하기 위해서는 전압값을 높여야 된다고 하셨는데 높여야 되는 전압값이 1핀의 전압값인지 3핀의 전압값인...
권*진 (nats*** )
2020-03-12 14:06
조회수 123

비밀번호 확인

게시글 등록시에 입력했던 비밀번호를 입력해 주세요.

비밀번호 확인

댓글 등록시에 입력했던 비밀번호를 입력해 주세요.

비밀번호 확인

게시글 등록시에 입력했던 비밀번호를 입력해 주세요.

비밀번호 확인

댓글/답글 등록시에 입력했던 비밀번호를 입력해 주세요.
회원님의 소중한 개인정보 보호를 위해 비밀번호를 주기적으로 변경하시는 것이 좋습니다.
현재 비밀번호
신규 비밀번호
신규 비밀번호 확인
6~20자, 영문 대소문자 또는 숫자 특수문자 중 2가지 이상 조합