전자부품, 아두이노, 라즈베리파이, 공구 및 로봇까지 한곳에서 국내 최대 전자부품 전문몰 | 디바이스마트

상품문의
번호 상태 문의 작성자
2 답변대기
본 제품 도면을 요청합니다.
주*스 (sdop*** )
2026-01-20 11:39
조회수 4
1 답변완료
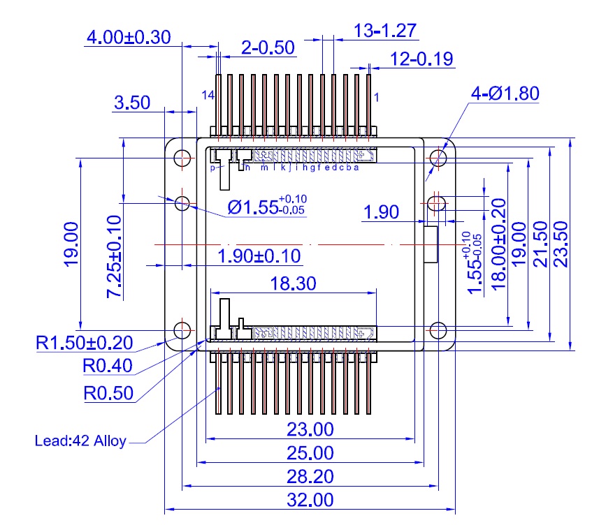
안녕하세요, 현재 제품 PKG와 PCB 보드를 연결할 소켓을 결정하기 위해 찾고있는 중입니다. 제품 PKG의 도면은 아래와 같습니다. 위와 같은 제품의 각 다리들을 끼울 소켓을 찾고있으며, 고속통신을 위해 확실한 체결이 필요한 상황입니다. dram socket 처럼 마운트가 있는 형태이면 더 좋으며 위 도면처럼 양쪽에 다리가 여러개가 있는 상황입니다. 위 ...
조*인 (scvn*** )
2023-02-27 13:07
조회수 53

비밀번호 확인

게시글 등록시에 입력했던 비밀번호를 입력해 주세요.

비밀번호 확인

댓글 등록시에 입력했던 비밀번호를 입력해 주세요.

비밀번호 확인

게시글 등록시에 입력했던 비밀번호를 입력해 주세요.

비밀번호 확인

댓글/답글 등록시에 입력했던 비밀번호를 입력해 주세요.
회원님의 소중한 개인정보 보호를 위해 비밀번호를 주기적으로 변경하시는 것이 좋습니다.
현재 비밀번호
신규 비밀번호
신규 비밀번호 확인
6~20자, 영문 대소문자 또는 숫자 특수문자 중 2가지 이상 조합